渦輪增壓器配件3527369
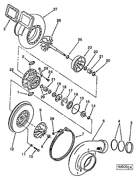
渦輪增壓器配件渦輪增壓器配件3527369英文名稱:housing,compressor中文名稱:壓氣機殼零件號:3527369生產或銷售:銷售維修系列:k50ESN:33147024ref no:6 req:1 Group:10.06Option:PP6234-01頁目錄:10.06-增壓器-P...
- 詳細描述
- 買家必讀
- 付款方式
渦輪增壓器配件


渦輪增壓器配件3527369
英文名稱:housing,compressor
中文名稱:壓氣機殼
零件號:3527369
生產或銷售:銷售維修
系列:k50
ESN:33147024
ref no:6
req:1
Group:10.06
Option:PP6234-01
頁目錄:10.06-增壓器-PP6234-01-33147024
產品類:90104-增壓器配件-turbocharger-

如果該商品不是您需要的或者這個說明沒能解決您的疑問,請不要離開我們的網站,因為所有康明斯發動機的維修技術以及維修配件,我們都可以為您提供,您也可以在我們網站進行自助查詢。
您可以通過以下方法在本網站進行查詢:
1.您可以和我們的在線客服或者在線QQ直接進行咨詢(在線QQ和聯系電話在頁面左側),我們很樂意為您排憂解難,幫助您買到您需要的零件,解答您的維修難題;
2.您可以在我們頁面的左上方直接輸入您需要的零件號碼進行查詢,有疑問請和我們的在線客服進行咨詢;
3.您看到我們的頁面導航了嗎? 在頁面的最上方。您可以通過我們的類別進行查找,找到您需要的配件,有任何疑問請即時和我們的在線客服聯系,或者直接電話過來咨詢,我們很高興接到您的來電;
我們的銷售和售后:
我們有專業的技術團隊:我們的技術人員都是從事了十年以上的發動機維修,所以你知道的和你不知道的,我們都會為你考慮全面。所以在我們這里購買產品,您完全不用考慮售后,我們是為客戶著想,著力為客戶解決難題,技術方面我們可以上門服務或者在線咨詢、電話咨詢服務。我們有強大的銷售團隊,她們都具備一定的專業知識,可以幫助您買到適合您的零件。可能部分用戶自己都不清楚自己的發動機到底是什么故障,所以也不知道自己需要購買什么配件,是換還是修?在我們這里你完全可以放心,我們可以針對您為我們提供的現象,給你診斷您發動機的問題,并為您提供維修服務和提供需要更換的配件。
請通過本站提供的聯系方式聯系本公司客服,我們將為您分配銷售專員為您服務。
還沒找到合適的產品嗎?請到<康明斯渦輪增壓器>里尋找更多的產品吧。
?
QQ
759166810 小松 915901392 小張 850184862 小巫 996006258 小朱
cqkms@hotmail.com
康名士客服中心
在線QQ咨詢
聯系電話
023-65017500023-65017906023-65017059023-65016319023-65017510023-650177901310898746913527338160MSN
cqyoukang@hotmail.comcqkms@hotmail.com









